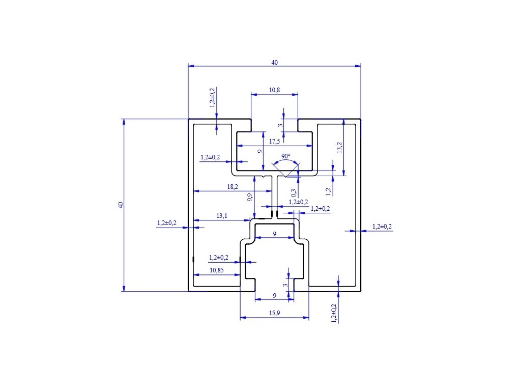
FVE Hliníkový montážní H profil 40x40mm, 2,4m, délka 2400mm pro M10 hlavu
FVE Hliníkový montážní H profil 40x40mm, 2,4m je ideální pro instalaci FV panelů. Hliníkový materiál zajišťuje odolnost a nízkou hmotnost.

Doručení do 24 hodin
od objednání

Dopravné zdarma
pro služby PPL a Balíkovna na výdejní místo při nákupu nad 2000 Kč

Vlastní servisní středisko
provedeme servis produktů

30 let na trhu
desetitisíce spokojených zákazníků
Profily FVE jsou navrženy pro optimální montáž fotovoltaických panelů. Díky své délce 2400 mm a rozměrům 40x40 mm jsou ideální pro panely se šířkou 110 - 113 cm. Tento hliníkový montážní H profil je nejen lehký, s hmotností 1,8 kg, ale také odolný vůči povětrnostním vlivům, což zajišťuje dlouhou životnost instalace.
Vlastnosti FVE Hliníkového montážního H profilu 40x40mm
- Materiál: Hliníkové profily pro vysokou odolnost a nízkou hmotnost
- Délka: 2400 mm pro flexibilní montáž
- Šířka: 40 mm pro stabilní uchycení
- Výška: 40 mm pro dostatečnou pevnost
- Váha: 1,8 kg pro snadnou manipulaci
Pro koho je FVE Hliníkový montážní H profil 40x40mm vhodný?
- Pro instalátory fotovoltaických systémů hledající kvalitní a spolehlivé montážní materiály.
- Pro domácnosti, které chtějí efektivně využít solární energii pomocí FV panelů.
- Pro firmy zabývající se obnovitelnými zdroji energie, které potřebují robustní a lehké profily.
Doplňkové parametry
| Kategorie: | Hliníkové montážní profily H 40x40 |
|---|---|
| Záruka: | 24 |
| Hmotnost: | 1.8 kg |
| EAN: | 8594051111157 |
Buďte první, kdo napíše příspěvek k této položce.
Přidat komentář
| Zástupce výrobce v EU : | SAPRO s.r.o. |
|---|---|
| Adresa zástupce v EU : | Konská 455, 73961 Třinec, Czech republic |
| E-mail zástupce v EU : | info@sapro.cz |